线上股票配资炒股网-杠杆交易爆仓了要补钱吗-【东方资本】,长线股票推荐排名,杠杆电视剧首播时间,主力买入是好事吗

0755-33653221
歡迎光臨深圳市振邦微科技官網

在線
客服

在線客服服務時間:9:00-22:00

技術
熱線

131-4842-9910
7*12小時客服服務熱線

頂部
當前位置:網站首頁 > 最新方案 正文 最新方案

75v轉5v3A,恒流降壓芯片/電源模塊

振邦微科技 2023-03-17 11:54:33 最新方案 528 ℃ 3 評論

概述

 

特點

  AH8731是一款高精度降壓型大功率LED恒流驅動芯片。適用于輸入電壓100V以內的大功率LED恒流驅動電源 。
 

  專利的高端電流檢測、固定頻率 、電流模PWM控制方式,具有優異的線性調整率和負載調整率 。
 

  芯片采用的特有恒流控制方式 ,使得LED輸出電流精度達到±3%以內。
 

  芯片內部集成的抖頻功能可降低EMI成本。
 

  內置環路補償與斜坡補償 ,無需外部補償,應用設計簡單 。
 

  芯片典型工作頻率約200KHz。
 

  采用SOT23-5封裝。
75v轉5v3A,恒流降壓芯片/電源模塊,第1張
                                      電源模塊

 

 

? 高端電流檢測

? 輸出電流:小于3a

? 輸入電壓:6~100V

? LED均值電流控制:恒流效果好

? LED輸出電流精度:±3%

? 高效率:最高可達95%以上

? 電流模PWM控制

? 固定工作頻率

? 抖頻功能

? 內置環路補償 、斜坡補償

? 芯片供電欠壓/過壓保護
75v轉5v3A,恒流降壓芯片/電源模塊,第2張
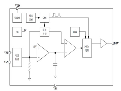
                                     內部結構圖

應用領域

? LED射燈、路燈及其它LED照明

75v轉5v3A,恒流降壓芯片/電源模塊,第3張



推薦閱讀:

12V轉1.8V降壓芯片型號

2A雙節充電管理芯片

24v轉12v,電路圖及電源模塊

本文標簽:75v轉5v3A75v轉5v60v轉5v電源模塊

版權說明:如非注明,本站文章均為 深圳市振邦微科技有限公司-220v轉12v|220v轉5v|電源模塊|升降壓芯片 原創,轉載請注明出處和附帶本文鏈接

深圳市振邦微科技提供:220v轉12v、220v轉5v芯片、電源模塊、 升降壓芯片、無線發射ic、PWM調光芯片、收音ic及電路圖,專業 的DCDC電源方案商,如需咨詢請聯系深圳市振邦微電子